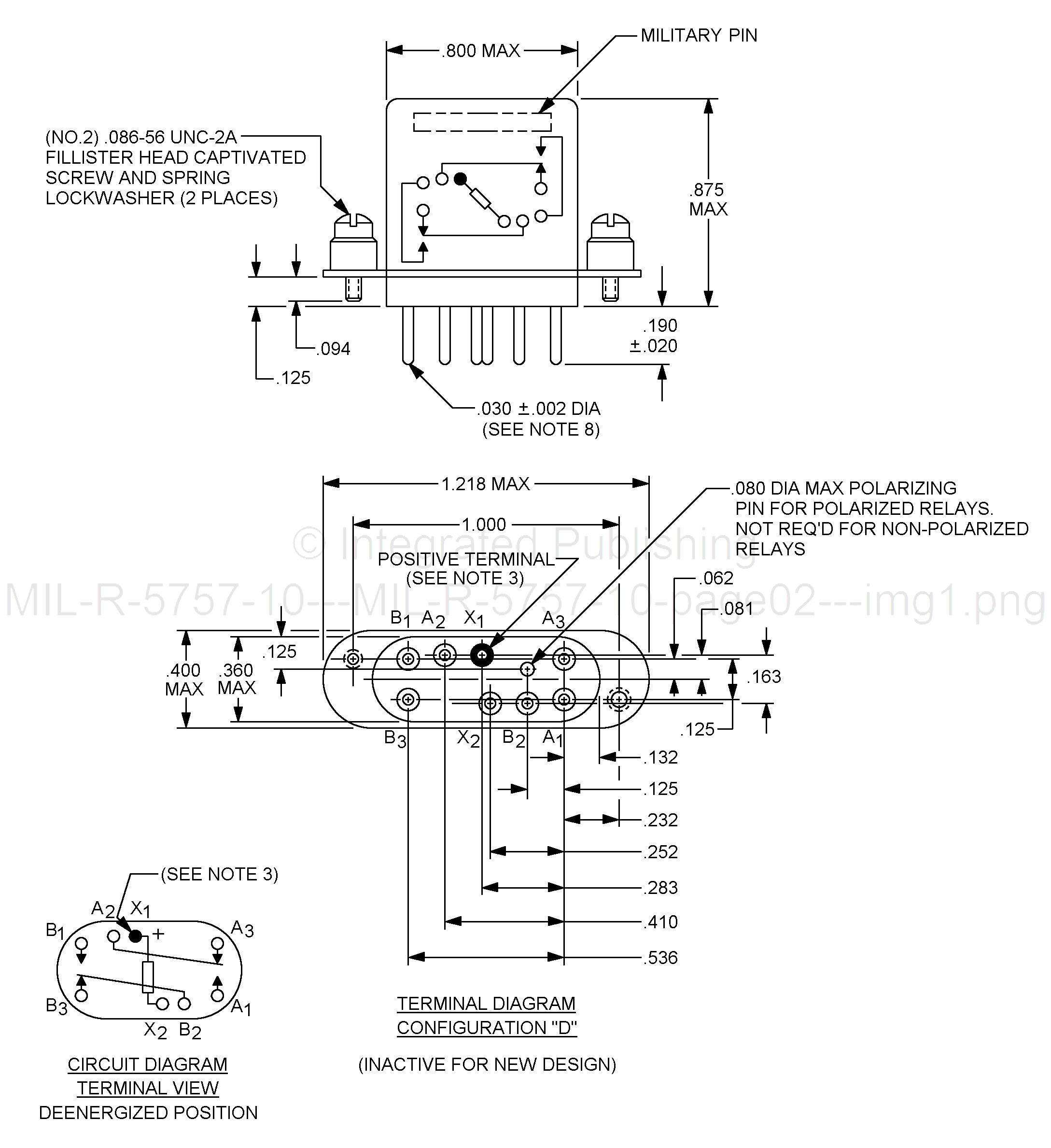
MIL-R-5757/1OL

FIGURE 1. Dimensions and configuration - Continued.
2
For Parts Inquires call Parts Hangar, Inc (727) 493-0744
© Copyright 2015 Integrated Publishing, Inc.
A Service Disabled Veteran Owned Small Business
MIL-R-5757/1OL

FIGURE 1. Dimensions and configuration - Continued.
2