
MIL-PRF-83726/29J
Inches
mm
Inches
mm
.001
0.03
.300
7.62
.002
0.05
.312
7.92
.005
0.13
.625
15.88
.040
1.02
.930
23.60
.050
1.27
1.010
25.65
.062
1.57
1.025
26.04
.150
3.81
1.396
35.46
.156
3.96
1.446
33.73
.200
5.08
1.718
43.64
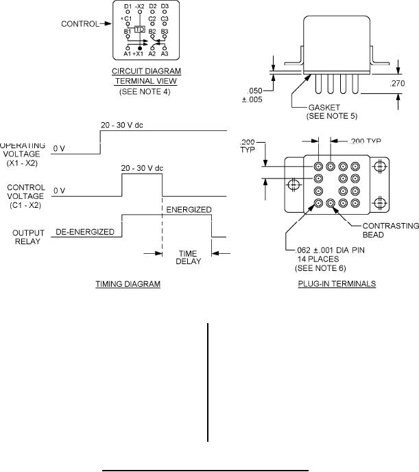
FIGURE 1. Outline dimensions and configuration of relay Continued.
2
For Parts Inquires call Parts Hangar, Inc (727) 493-0744
© Copyright 2015 Integrated Publishing, Inc.
A Service Disabled Veteran Owned Small Business