
INCH-POUND
MIL-PRF-83726/29J
04 March 2013
SUPERSEDING
MIL-PRF-83726/29H
14 June 2012
PERFORMANCE SPECIFICATION SHEET
RELAY, HYBRID, TIME DELAY (ON RELEASE), CLASS B, TYPE IIA,
HERMETICALLY SEALED, DPDT, 10 AMPERES, FIXED TIME, 0.1 TO 500 SECONDS
This specification is approved for use by all Departments
and Agencies of the Department of Defense.
The requirements for acquiring the product described herein
shall consist of this specification sheet and MIL-PRF-83726.
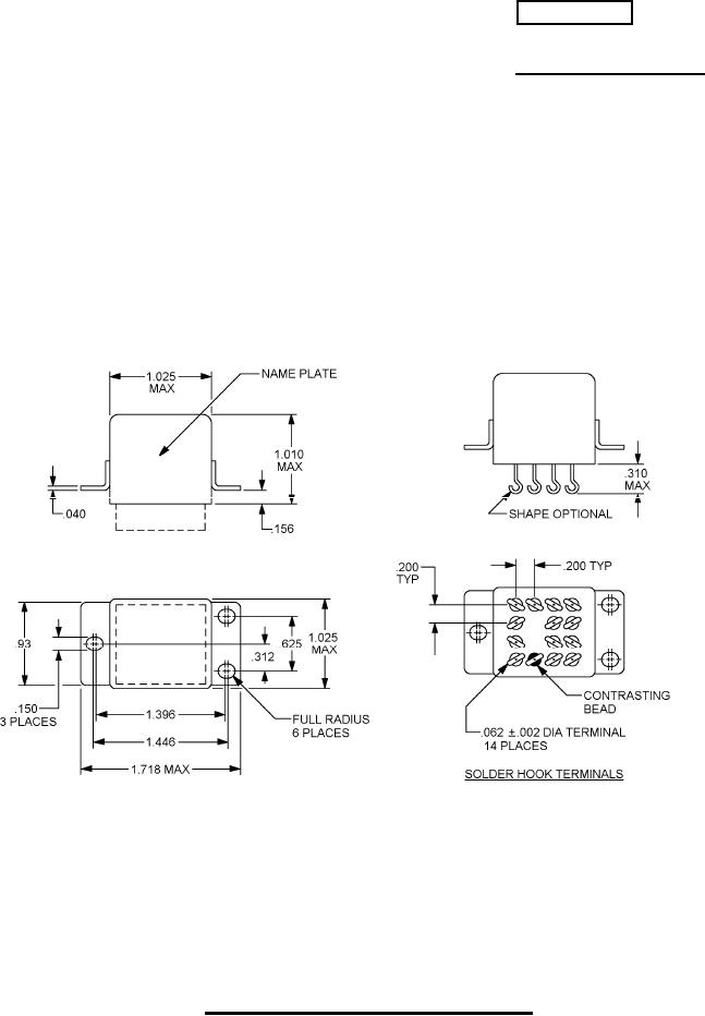
FIGURE 1. Outline dimensions and configuration of relay.
AMSC N/A
FSC 5945
For Parts Inquires call Parts Hangar, Inc (727) 493-0744
© Copyright 2015 Integrated Publishing, Inc.
A Service Disabled Veteran Owned Small Business