
INCH-POUND
MIL-PRF-83536/11C
02 May 2013
SUPERSEDING
MIL-PRF-83536/11B
15 July 2002
PERFORMANCE SPECIFICATION SHEET
RELAYS, ELECTROMAGNETIC, ESTABLISHED RELIABILITY, DPDT,
LOW LEVEL TO 10 AMPERES, PERMANENT MAGNET DRIVE,
HERMETICALLY SEALED, ALL WELDED, AC COILS
This specification is approved for use by all Departments
and Agencies of the Department of Defense.
The requirements for acquiring the product described herein shall
consist of this specification sheet and MIL-PRF-83536.
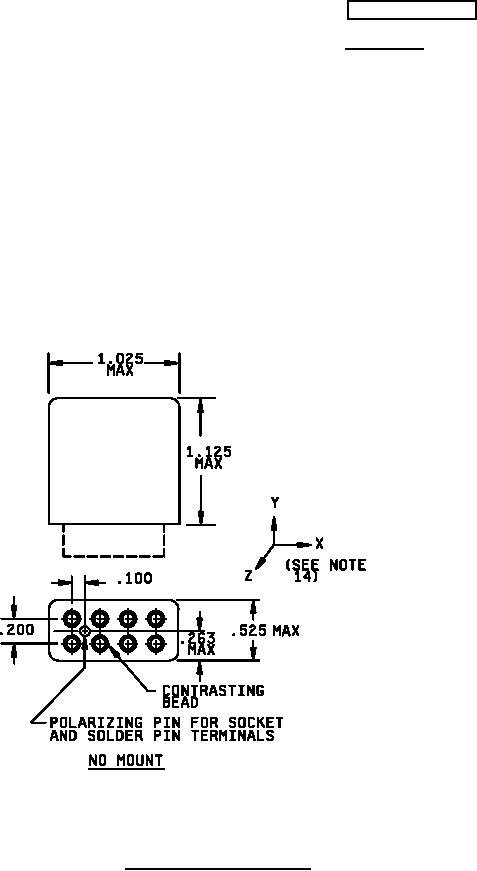
FIGURE 1. Dimensions and configurations.
AMSC N/A
FSC 5945
.
For Parts Inquires call Parts Hangar, Inc (727) 493-0744
© Copyright 2015 Integrated Publishing, Inc.
A Service Disabled Veteran Owned Small Business