
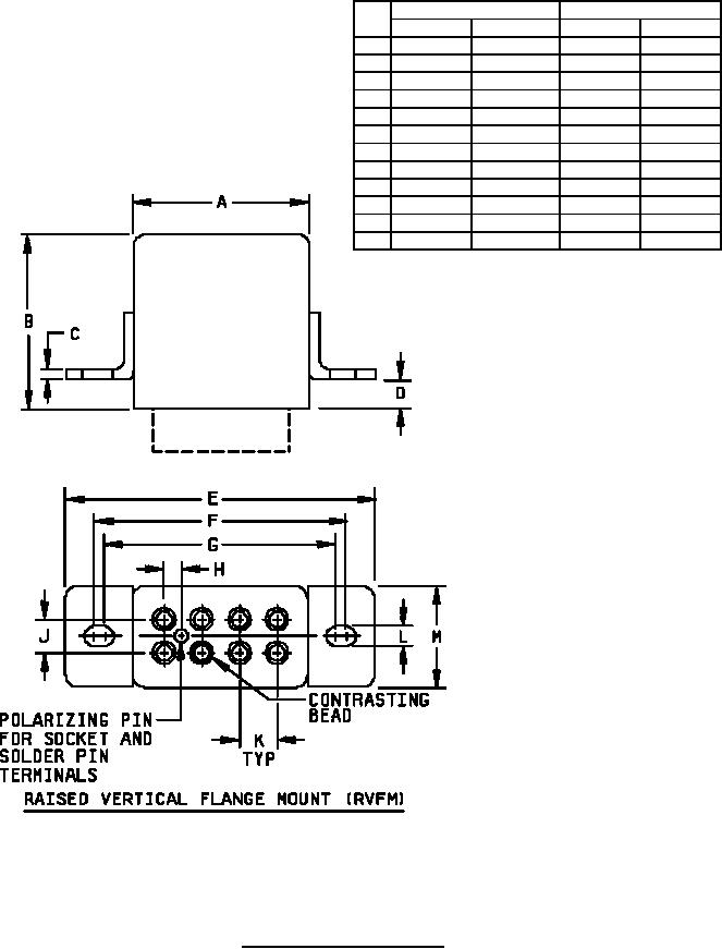
MIL-PRF-83536/10C
Ltr
Inches
Millimeters
Min
Max
Min
Max
A
---
1.025
---
26.03
B
---
1.010
---
25.65
C
.030
.050
0.76
1.27
D
.146
.166
3.71
4.22
E
---
1.718
---
43.64
F
1.436
1.456
36.47
36.98
G
1.386
1.406
35.20
35.71
H
.090
.110
2.29
2.79
J
.190
.210
4.83
5.33
K
.190 TYP
.210 TYP
4.93 TYP 5.33 TYP
L
.140
.160
3.56
4.06
M
---
.525
---
13.34
FIGURE 1. Dimensions and configurations - Continued.
2
For Parts Inquires call Parts Hangar, Inc (727) 493-0744
© Copyright 2015 Integrated Publishing, Inc.
A Service Disabled Veteran Owned Small Business