
INCH-POUND
MIL-PRF-39016/9J
8 November 2004
SUPERSEDING
MIL-PRF-39016/9H
15 November 1989
PERFORMANCE SPECIFICATION SHEET
RELAYS, ELECTROMAGNETIC, ESTABLISHED RELIABILITY, DPDT,
LOW LEVEL TO 1.0 AMPERE
This specification sheet is approved for use by all Departments
and Agencies of the Department of Defense.
The complete requirements for acquiring the relays described herein shall
consist of this specification sheet and the latest issue of MIL-PRF-39016.
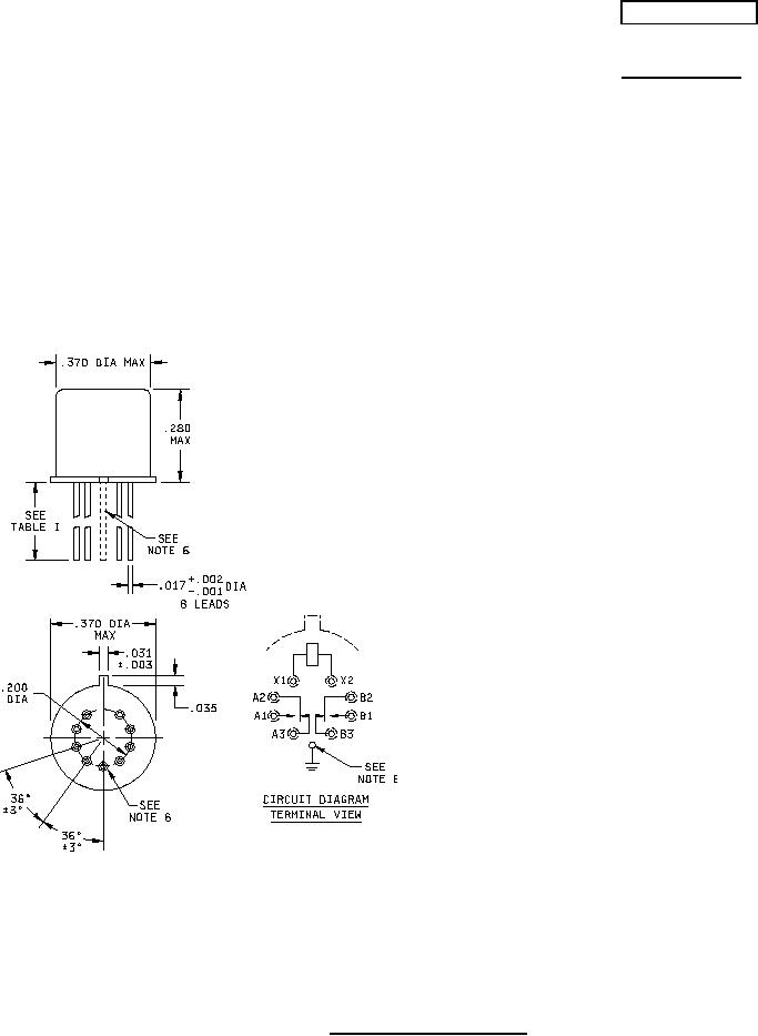
Inches
mm
.001
0.03
.002
0.05
.003
0.08
.017
0.43
.031
0.79
.035
0.89
.200
5.08
.275
6.99
.280
7.11
.335
8.51
.370
9.40
NOTES:
1. Dimensions are in inches.
2. Metric equivalents are given for general information only.
3. Unless otherwise specified, tolerance is ±.010 (0.25 mm).
4. Coil symbol optional in accordance with MIL-STD-1285.
5. Circuit diagram shown on part is the terminal view.
6. The grounding pin shown is a noninsulated case ground applicable to -085 through -091.
FIGURE 1. Dimensions and configuration.
AMSC N/A
FSC 5945