
INCH-POUND
MIL-PRF-39016/44E
19 August 2006
SUPERSEDING
MIL-PRF-39016/44D
20 July 1988
PERFORMANCE SPECIFICATION SHEET
RELAYS, ELECTROMAGNETIC, ESTABLISHED RELIABILITY, DPDT,
LOW LEVEL TO 2 AMPERES, TERMINALS 0.200-INCH GRID PATTERN
(SENSITIVE, 100/125 MILLIWATTS, COIL OPERATE POWER AT 25°C)
This specification is approved for use by all Departments
and Agencies of the Department of Defense.
The requirements for acquiring the product described herein
shall consist of this specification sheet and MIL-PRF-39016.
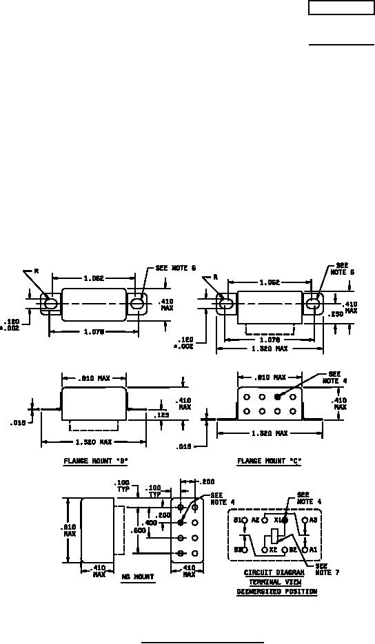
FIGURE 1. Dimensions and configuration.
AMSC N/A
FSC 5945
For Parts Inquires call Parts Hangar, Inc (727) 493-0744
© Copyright 2015 Integrated Publishing, Inc.
A Service Disabled Veteran Owned Small Business