
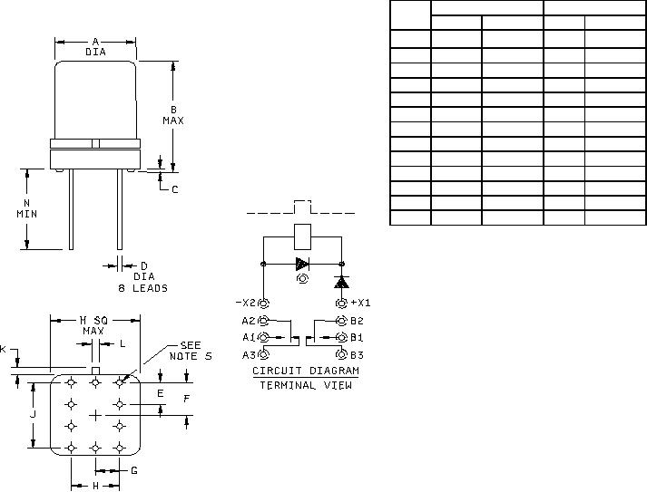
MIL-PRF-39016/21H
Inches
mm
Ltr.
Min
Max
Min
Max
A
.275
.335
6.99
8.51
B
---
.493
---
12.52
C
.012
.016
0.30
0.41
D
.016
.019
0.41
0.48
E
.090
.110
2.29
2.79
F
.140
.160
3.56
4.06
G
.090
.110
2.29
2.79
H
.190
.210
4.83
5.33
J
.290
.310
7.37
7.87
K
.025
.045
0.64
1.14
L
.028
.033
0.71
0.84
M
---
.370 SQ
---
9.40 SQ
N
.370
---
9.40
---
NOTES:
1. Dimensions are in inches.
2. Metric equivalents are given for general information only.
3. Unless otherwise specified, tolerance is ±.010 (0.25 mm).
4. Spreader pads shall comply with the requirements of A-A-55485, A-A-55485/5-003, in accordance with A-A-
5. Dimensions and tolerances shown for the bottom view of the spreader pad are for the center to center
locations of the holes in the spreader pad.
6. Shape optional within the envelope dimension.
7. Terminal numbers shown above for reference only. Numbers do not appear on relay.
8. Relays shall have a plus (+) sign placed on the circuit diagram as shown.
9. Coil symbol optional in accordance with MIL-STD-1285.
10. Circuit diagram shown on part is the terminal view.
3
For Parts Inquires call Parts Hangar, Inc (727) 493-0744
© Copyright 2015 Integrated Publishing, Inc.
A Service Disabled Veteran Owned Small Business