
INCH-POUND
MIL-PRF-39016/21H
22 April 2013
SUPERSEDING
MIL-PRF-39016/21G
28 March 2007
PERFORMANCE SPECIFICATION SHEET
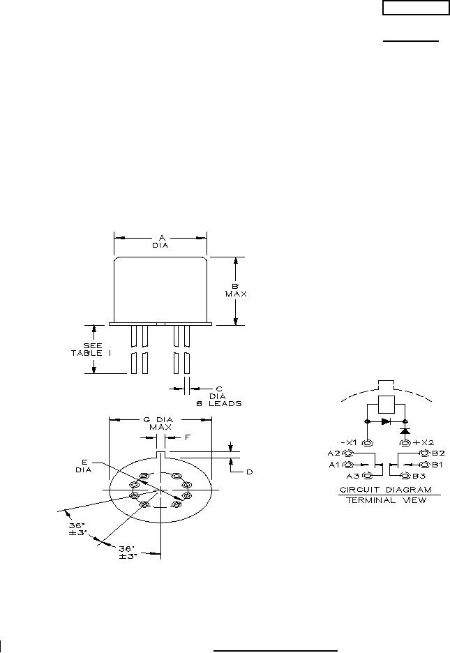
RELAYS, ELECTROMAGNETIC, ESTABLISHED RELIABILITY, DPDT, LOW LEVEL TO
1.0 AMPERE (SENSITIVE, 60 MILLIWATTS) WITH INTERNAL DIODES FOR COIL
TRANSIENT SUPPRESSION AND POLARITY REVERSAL PROTECTION
This specification is approved for use by all Departments
and Agencies of the Department of Defense.
The requirements for acquiring the product described herein
shall consist of this specification sheet and MIL-PRF-39016.
FIGURE 1. Dimensions and configuration.
AMSC N/A
FSC 5945
For Parts Inquires call Parts Hangar, Inc (727) 493-0744
© Copyright 2015 Integrated Publishing, Inc.
A Service Disabled Veteran Owned Small Business