
INCH-POUND
MIL-PRF-39016/20J
3 December 2004
SUPERSEDING
MIL-PRF-39016/20H
13 May 1987
PERFORMANCE SPECIFICATION SHEET
RELAYS, ELECTROMAGNETIC, ESTABLISHED RELIABILITY, DPDT,
LOW LEVEL TO 1.0 AMPERE WITH INTERNAL DIODES FOR COIL
TRANSIENT SUPPRESSION AND POLARITY REVERSAL PROTECTION,
This specification sheet is approved for use by all Departments
and Agencies of the Department of Defense.
The complete requirements for acquiring the relays described herein shall
consist of this specification sheet and the latest issue of MIL-PRF-39016.
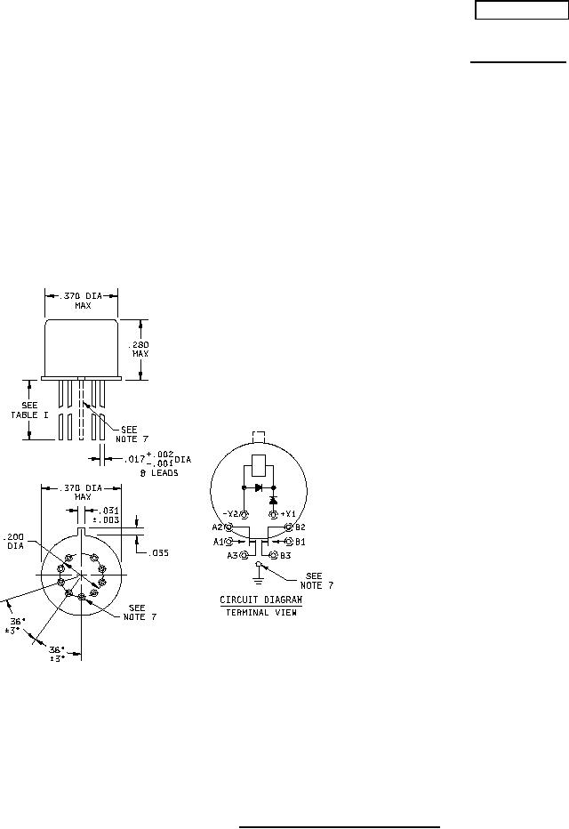
Inches
mm
.001
0.03
.002
0.05
.003
0.08
.017
0.43
.031
0.79
.035
0.89
.100
2.54
.280
7.11
.335
8.51
.370
9.40
NOTES:
1. Dimensions are in inches.
2. Metric equivalents are given for general information only.
3. Unless otherwise specified, tolerance is ±.010 (0.25 mm).
4. Relays shall have a plus (+) sign placed on the circuit diagram as shown.
5. Coil symbol optional in accordance with MIL-STD-1285.
6. Circuit diagram shown on part is the terminal view.
7. The grounding pin shown is a noninsulated case ground applicable to -079 through -084 only.
FIGURE 1. Dimensions and configuration (round).
AMSC N/A
1 of 13
FSC 5945
For Parts Inquires call Parts Hangar, Inc (727) 493-0744
© Copyright 2015 Integrated Publishing, Inc.
A Service Disabled Veteran Owned Small Business