
MIL-PRF-28776/6E
Inches
mm
.001
0.03
.002
0.05
.003
0.08
.005
0.13
.010
0.25
.017
0.43
.031
0.79
.035
0.89
.094
2.38
.100
2.54
.156
3.96
.170
4.32
.200
5.08
.256
6.50
.275
6.98
.294
7.47
.335
8.51
.370
9.40
.435
11.05
.470
11.94
.50
12.7
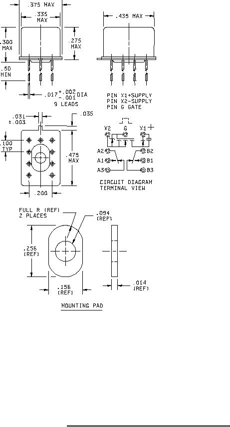
NOTES:
1. Dimensions are in inches.
2. Metric equivalents are given for general information only.
3. Unless otherwise specified, tolerance is ±.010 (0.25 mm).
4. Spacer pad shall be a polyester film. Spacer pad shall be rigidly attached to the relay as shown.
5. Terminal numbers shown above are for reference only. Numbers do not appear on the relay.
6. Relays shall have a plus (+) sign placed on the circuit diagram as shown.
7. Coil symbol optional in accordance with MIL-STD-1285.
8. Circuit diagram shown on part is the terminal view.
FIGURE 2. Dimensions and configuration relay with mounting pad.
2