
INCH-POUND
MIL-PRF-28776/6E
23 June 2003
SUPERSEDING
MIL-PRF-28776/6D
8 July 1996
PERFORMANCE SPECIFICATION SHEET
RELAYS, HYBRID, ESTABLISHED RELIABILITY, DPDT, LOW LEVEL TO 1.0 AMPERE
INTERNAL MOSFET DRIVE WITH ZENER DIODE GATE PROTECTION
(ELECTROMECHANICAL OUTPUT)
DIODE COIL SUPPRESSION AND TERMINALS WITH 0.100 GRID LEAD SPACING
This specification sheet is approved for use by all Departments
and Agencies of the Department of Defense.
The complete requirements for acquiring the product described herein shall
consist of this specification sheet and the latest issue of MIL-PRF-28776.
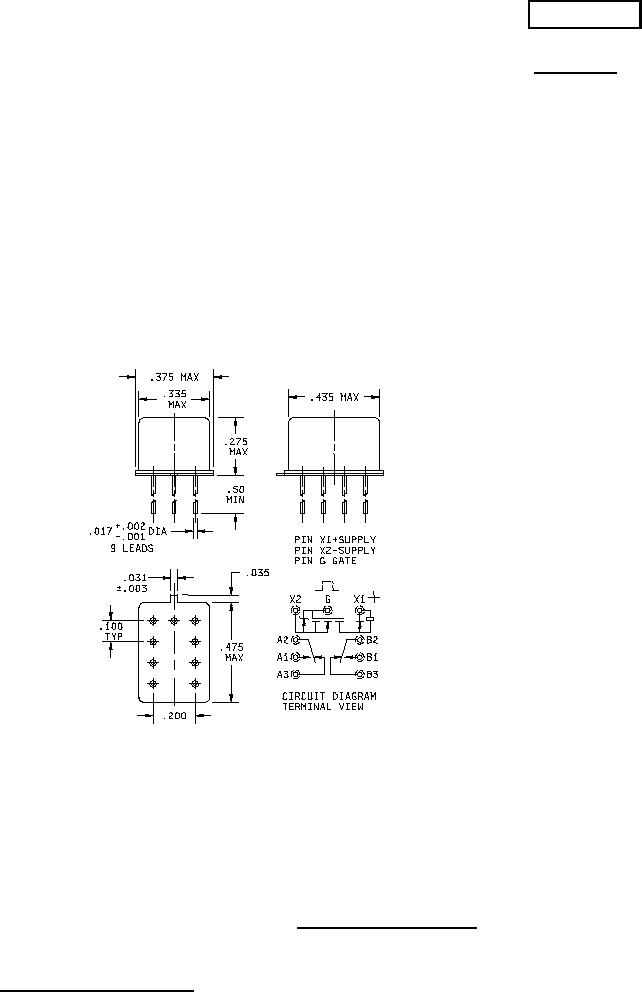
Inches
mm
.001
0.03
.002
0.05
.017
0.43
.031
0.79
.035
0.89
.100
2.54
.200
5.08
.275
6.98
.335
8.51
.375
9.52
.435
11.05
.50
12.7
NOTES:
1. Dimensions are in inches.
2. Metric equivalents are given for general information only.
3. Unless otherwise specified, tolerance is ±.010 (0.25 mm).
4. Terminal numbers shown above are for reference only. Numbers do not appear on the relay.
5. Relays shall have a plus (+) sign placed on the circuit diagram as shown.
6. Coil symbol optional in accordance with MIL-STD-1285.
7. Circuit diagram shown on part is the terminal view.
FIGURE 1. Dimensions and configuration.
AMSC N/A
1 of 8
FSC 5945
DISTRIBUTION STATEMENT A. Approved for public release; distribution is unlimited.