
MIL-PRF-28776/1G
Inches
mm
.001
0.03
.002
0.05
.003
0.08
.012
0.30
.016
0.41
.017
0.43
.031
0.79
.035
0.89
.100
2.54
.150
3.81
.200
5.08
.275
6.98
.300
7.62
.335
8.51
.370
9.40
.398
10.11
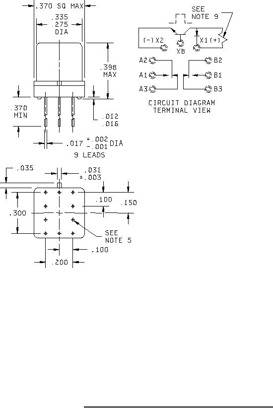
NOTES:
1. Dimensions are in inches.
2. Metric equivalents are given for general information only.
3. Unless otherwise specified, tolerance is ±.010 (0.25 mm).
4. Spreader pads shall comply with the requirements of A-A-55485/05-003.
5. Dimensions and tolerances shown for the bottom view of the spreader pad are for the center to center locations
of the holes in the spreader pad.
6. Shape optional within the envelope dimension.
7. Terminal numbers shown above are for reference only. Numbers do not appear on the relay.
8. Relays shall have a plus (+) sign placed on the circuit diagram as shown.
9. Coil symbol optional in accordance with MIL-STD-1285.
10. Circuit diagram shown on part is the terminal view.
FIGURE 2. Dimensions and configuration relay with spreader pad attached.
2