INCH-POUND
MILITARY SPECIFICATION SHEET FLASHER, SOLID STATE, AIRCRAFT LIGHT
MS25205G
7 March 2003
SUPERSEDING MS25205F(AS)
12 July 1991
Inactive for new design and is no longer used except for replacement purposes.
This specification is approved for use by all Departments and Agencies of the Department of Defense.
The requirements for acquiring the flasher described herein shall consist of this specification and the latest issue of MIL-F-26301.

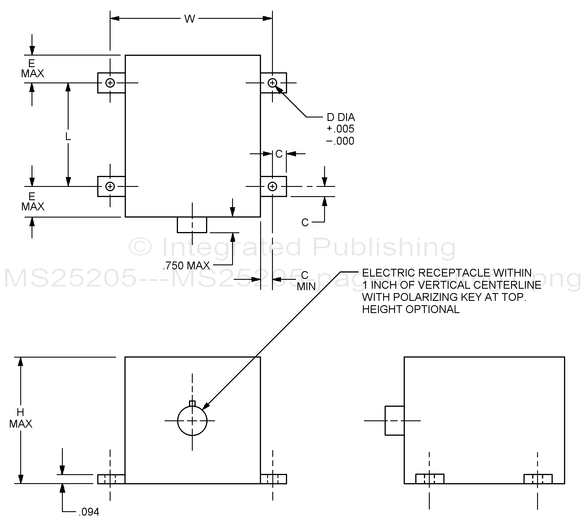
FIGURE 1. Dimensions and configuration.
AMSC N/A 1 of 5 FSC 5945
DISTRIBUTION STATEMENT A: Approved for public release; distribution is unlimited.
For Parts Inquires call Parts Hangar, Inc (727) 493-0744
© Copyright 2015 Integrated Publishing, Inc.
A Service Disabled Veteran Owned Small Business