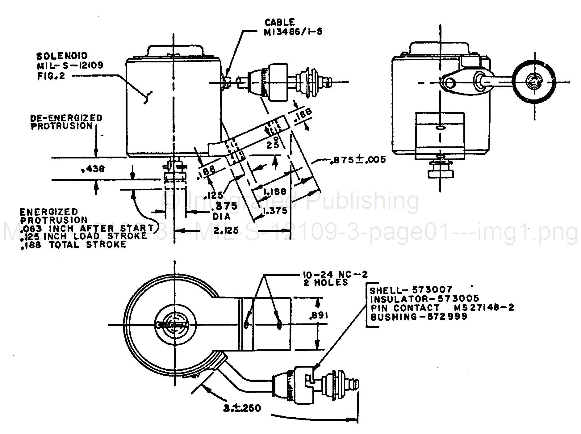
MILITARY SPECIFICATION SHEET Solenoid, Electrica1; Class 2 (Machine Gun), Cal .30, 24 volt DC, 4.5 AMP Max.
MIL-S-12109/3A
24 April 1972
SUPERSEDING
MIL-S-12109/3
31 October 1968
The complete requirements for procuring the Solenoid described herein shall consist of this document and the issue in effect of Specification MIL-S-l2l09.
This specification is mandatory for use by all Departments and Agencies of the Department of Defense.

Note: Dimensions are in inches. Unless otherwise specified, tolerances are +.010 on decimals,
+2° on angular dimensions.
FSC-5945
For Parts Inquires call Parts Hangar, Inc (727) 493-0744
© Copyright 2015 Integrated Publishing, Inc.
A Service Disabled Veteran Owned Small Business