INCH-POUND
MIL-R-83726/12E
7July 2005
SUPERSEDING
MIL-R-83726/12D(USAF)
27 March 1995
MILITARY SPECIFICATION SHEET
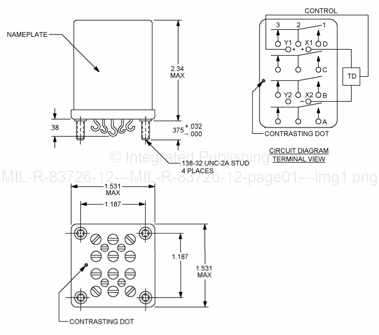
RELAYS, HYBRID, TIME DELAY (ON RELEASE), TYPE IIA, CLASS B, 10 AMPERES, 4PDT, HERMETICALLY SEALED, FIXED TIME, 0.100 TO 300 SECONDS
Inactive for new design after 10 January 1994. For new design use MIL-PRF-83726/29.
This specification is approved for use by all Departments and Agencies of the Department of Defense.
The requirements for acquiring the product described herein shall consist of this specification and MIL-PRF-83726.

FIGURE 1. Outline dimensions and configuration of relay.
AMSC N/A FSC 5945
For Parts Inquires call Parts Hangar, Inc (727) 493-0744
© Copyright 2015 Integrated Publishing, Inc.
A Service Disabled Veteran Owned Small Business