
INCH-POUND
MIL-PRF-83726/21G
18 June 2013
SUPERSEDING
MIL-R-83726/21F
23 June 2008
PERFORMANCE SPECIFICATION SHEET
RELAY, SOLID-STATE, TIME DELAY (ON OPERATE), TYPE I,
CLASS C, SPST, 250 MILLIAMPERES, VARIABLE TIME, 0.05 TO 500 SECONDS
This specification is approved for use by all
Departments and Agencies of the Department of Defense.
The requirements for acquiring the relay described herein
shall consist of this specification and MIL-PRF-83726.
INACTIVE FOR NEW DESIGN AFTER 15 NOVEMBER 2002.
No superseding document.
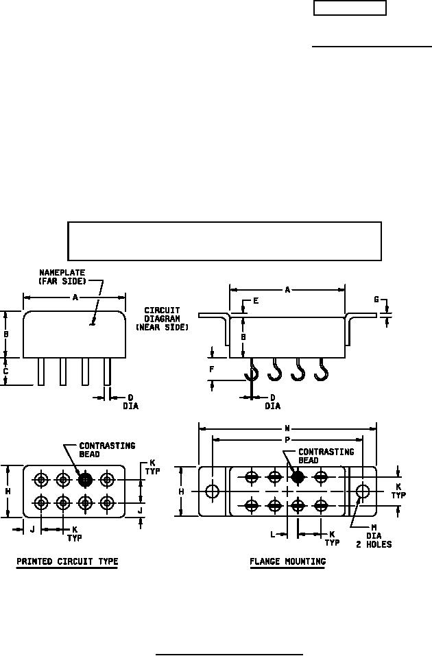
FIGURE 1. Outline drawing and dimensions.
AMSC N/A
FSC 5945
For Parts Inquires call Parts Hangar, Inc (727) 493-0744
© Copyright 2015 Integrated Publishing, Inc.
A Service Disabled Veteran Owned Small Business