
INCH-POUND
MIL-PRF-83536/20A
12 July 2004
SUPERSEDING
MIL-PRF-83536/20
27 March 1992
PERFORMANCE SPECIFICATION SHEET
RELAYS, ELECTROMAGNETIC, ESTABLISHED RELIABILITY, 4PDT,
LOW LEVEL TO 10 AMPERES, MAGNETIC LATCH, HERMETICALLY SEALED,
ALL WELDED, AC COILS
This specification is approved for use by all Departments
and Agencies of the Department of Defense.
The requirements for acquiring the product described herein shall consist
of this specification sheet and the latest issue of MIL-PRF-83536.
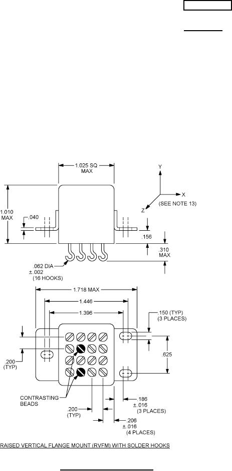
FIGURE 1. Dimensions and configurations.
AMSC N/A
FSC 5945
For Parts Inquires call Parts Hangar, Inc (727) 493-0744
© Copyright 2015 Integrated Publishing, Inc.
A Service Disabled Veteran Owned Small Business