
INCH-POUND
MIL-PRF-83536/18C
13 August 2012
SUPERSEDING
MIL-PRF-83536/18B
5 January 2010
PERFORMANCE SPECIFICATION SHEET
RELAYS, ELECTROMAGNETIC, ESTABLISHED RELIABILITY, 4PDT,
LOW LEVEL TO 10 AMPERES, MAGNETIC LATCH, HERMETICALLY SEALED,
ALL WELDED, DC COILS
This specification is approved for use by all Departments
and Agencies of the Department of Defense.
The requirements for acquiring the product described herein shall consist
of this specification sheet and the latest issue of MIL-PRF-83536.
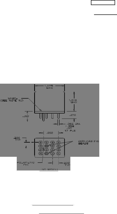
NO MOUNT SOLDER PIN
FIGURE 1. Dimensions and configurations.
AMSC N/A
FSC 5945