
INCH-POUND
MIL-PRF-83536/1B
29 September 2011
SUPERSEDING
MIL-PRF-83536/1A
7 June 2004
PERFORMANCE SPECIFICATION SHEET
RELAYS, ELECTROMAGNETIC, ESTABLISHED RELIABILITY, DPDT,
LOW LEVEL TO 5 AMPERES, PERMANENT MAGNET DRIVE, HERMETICALLY
SEALED, ALL WELDED, DC COILS
This specification is approved for use by all Departments and
Agencies of the Department of Defense.
The requirements for acquiring the product described herein shall consist of
this specification sheet and the latest issue of MIL-PRF-83536.
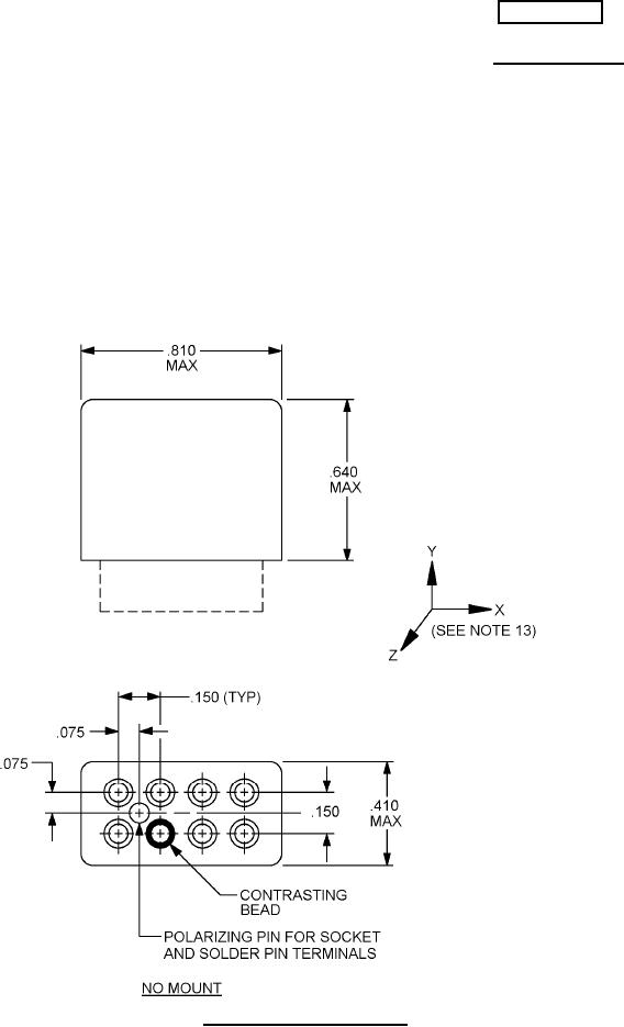
FIGURE 1. Dimensions and configurations.
AMSC N/A
FSC 5945
For Parts Inquires call Parts Hangar, Inc (727) 493-0744
© Copyright 2015 Integrated Publishing, Inc.
A Service Disabled Veteran Owned Small Business