
INCH-POUND
MIL-PRF-6106/43B
10 November 2000
SUPERSEDING
MIL-PRF-6106/43A(USAF)
29 April 1985
PERFORMANCE SPECIFICATION SHEET
RELAY, ELECTROMAGNETIC, 65 AMPERES, 1PNO DOUBLE BREAK
HERMETICALLY SEALED, TYPE I
This specification is approved for use by all Departments
and Agencies of the Department of Defense.
The requirements for acquiring the relays described herein shall
consist of this specification and the latest issue of MIL-PRF-6106.
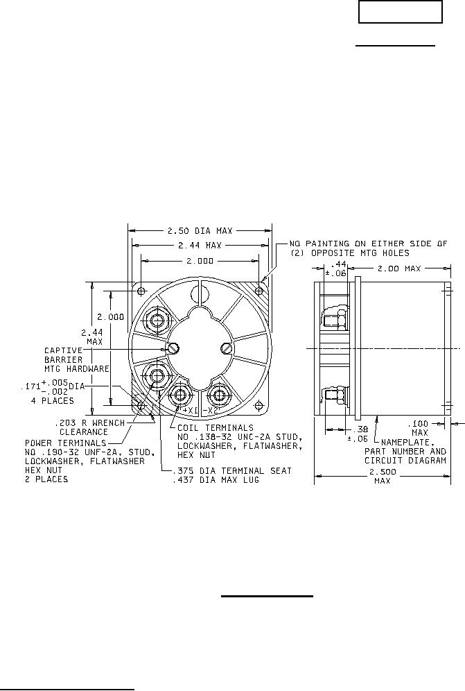
FIGURE 1. Relay, outline drawing.
AMSC N/A
1 of 6
FSC 5945
DISTRIBUTION STATEMENT A. Approved for public release; distribution is unlimited.