
INCH-POUND
MIL-PRF-6106/35B
1 June 2000
SUPERSEDING
MIL-PRF-6106/35A
2 May 1983
PERFORMANCE SPECIFICATION SHEET
RELAYS, ELECTROMAGNETIC, BUTTON, PLUG MOUNTING TRACK
This specification is approved for use by all Departments and Agencies
of the Department of Defense.
The complete requirements for acquiring the product described herein shall
consist of this specification sheet and the latest issue of MIL-PRF-6106.
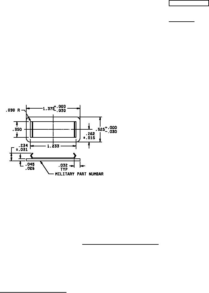
Inches
mm
Inches
mm
.015
.38
.234
5.94
.026
.66
.262
6.65
.030
.76
.350
8.89
.031
.79
.525
13.34
.032
.81
1.233
31.32
.045
1.14
1.375
34.92
.090
2.23
NOTES:
1. Dimensions are in inches.
2. Metric equivalents are given for general information only.
3. Unless otherwise specified, tolerances are ±.005 (0.127 mm) and angles ±1/2°.
4. The plugs are intended to cover unused relay cutouts in MIL-PRF-12883/49, Sockets and
accessories for Plug-In Electronic Components, (Mounting Tracks for Relays, 10 Amperes (MIL-PRF-
6106, MIL-PRF-83536, and MIL-PRF-83726).
5. These plugs shall remain in tracks during all shock and vibration tests.
FIGURE 1. Outline dimensions and configuration.
AMSC N/A
1 of 2
FSC 5945
DISTRIBUTION STATEMENT A. Approved for public release; distribution is unlimited.