
MIL-PRF-6106/15E
REQUIREMENTS
Load ratings: See table I.
TABLE I. Rated contact load (amperes per pole) (case grounded through 22 AWG wire).
3
28 V dc
Life operating cycles X 10
Type of load
M6106/15
M6106/15
Main
Auxiliary
-001, -002,
-004
NO
NC
NO
NC
-003
Resistive
50
---
Inductive
50
---
50 3/
Motor
50
---
Lamp
20 1/
50
---
20 1/
Mechanical life,
100
---
reduced current
Mixed loads
50
---
Capacitive
---
90 for 2
---
90 for 2
1/
M6106/15-004 lamp load requirement is 10 amperes.
2/
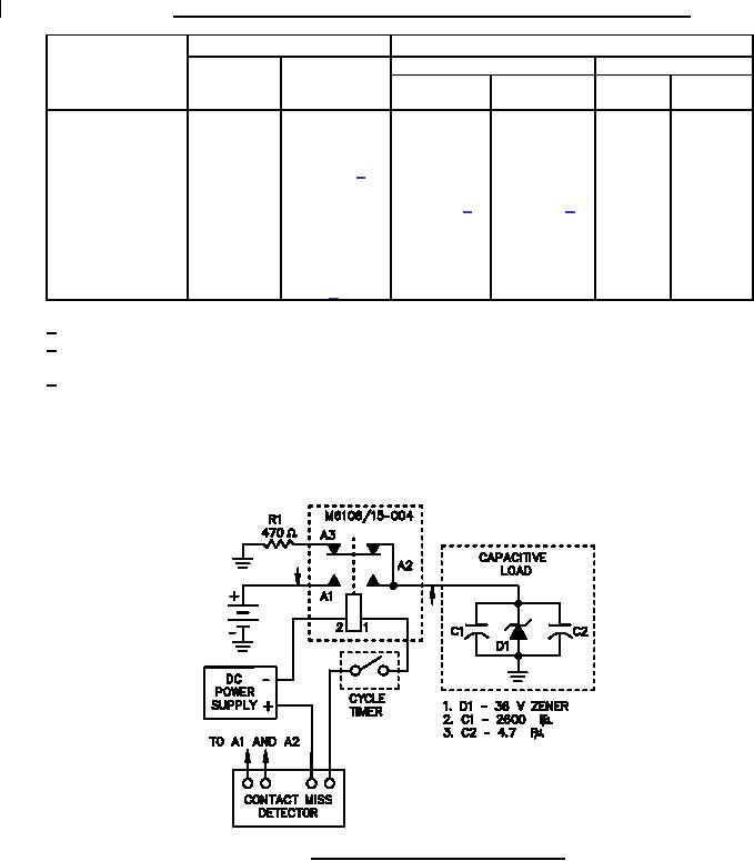
The capacitive load test for M106/15-004 shall be performed on units which have passed the burn-in test.
The capacitive load test setup shall be in accordance with figure 6.
3/
Load suppression shall meet the requirements of MIL-STD-704.
Burn-in test: All M6106/15-004 relays shall be subject to 500 electrical life cycles of operations with a resistive load of
50 amperes at 28 V dc applied to both normally open and normally closed contacts. Coil voltage shall be 20 V dc.
One cycle shall consist of: 1 second ON, 1 second OFF. Contacts shall be monitored to verify conformance to table
III operating characteristics. No failures are permitted.
FIGURE 6. Capacitive load test for M6106/15-004.
6
For Parts Inquires call Parts Hangar, Inc (727) 493-0744
© Copyright 2015 Integrated Publishing, Inc.
A Service Disabled Veteran Owned Small Business