
MIL-PRF-6106/13F
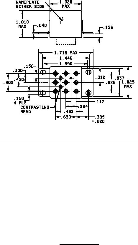
RAISED VERTICAL FLANGE MOUNT 2 AND TERMINAL LAYOUT FOR -004
Inches
mm
Inches
mm
Inches
mm
.000
0.00
.150
3.81
.600
15.24
.001
0.03
.156
3.96
.625
15.88
.002
0.05
.234
5.94
.630
16.00
.020
0.51
.300
7.62
.937
23.80
.040
1.02
.312
7.92
1.010
25.65
.062
1.57
.395
10.03
1.025
26.04
.093
2.36
.432
10.97
1.396
35.46
.117
2.97
.450
11.43
1.446
36.73
1.718
43.64
NOTES:
1. Dimensions are in inches.
2. Metric equivalents are given for general information only.
3. Unless otherwise specified, tolerance is .010 (.25 mm).
FIGURE 2. Relay, outline drawing.
3
For Parts Inquires call Parts Hangar, Inc (727) 493-0744
© Copyright 2015 Integrated Publishing, Inc.
A Service Disabled Veteran Owned Small Business