
INCH-POUND
MIL-PRF-39016/6L
11 April 2004
SUPERSEDING
MIL-PRF-39016/6K
15 February 1991
PERFORMANCE SPECIFICATION SHEET
RELAYS, ELECTROMAGNETIC, ESTABLISHED RELIABILITY, DPDT,
LOW LEVEL TO 2 AMPERES (0.200-INCH TERMINAL SPACING)
This specification sheet is approved for use by all Depart-
ments and Agencies of the Department of Defense.
The complete requirements for acquiring the relays described herein shall
consist of this specification sheet and the latest issue of MIL-PRF-39016.
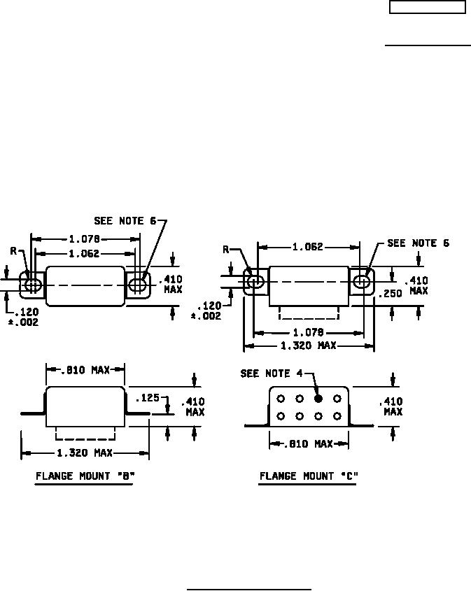
FIGURE 1. Dimensions and configuration.
AMSC N/A
FSC 5945
For Parts Inquires call Parts Hangar, Inc (727) 493-0744
© Copyright 2015 Integrated Publishing, Inc.
A Service Disabled Veteran Owned Small Business