
INCH-POUND
MIL-PRF-39016/55B
31 October 2006
SUPERSEDING
MIL-PRF-39016/55A
15 February 1991
PERFORMANCE SPECIFICATION SHEET
RELAY, ELECTROMAGNETIC, ESTABLISHED RELIABILITY, DPDT,
LOW LEVEL TO 2 AMPERES (.200-INCH TERMINAL SPACING),
WITH INTERNAL DIODE FOR COIL TRANSIENT SUPPRESSION
This specification is approved for use by all Departments and
Agencies of the Department of Defense.
The requirements for acquiring the product described herein
shall consist of this specification sheet and MIL-PRF-39016.
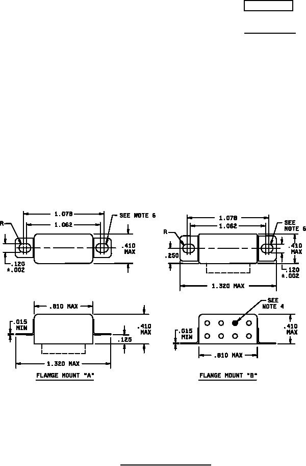
FIGURE 1. Dimensions and configuration.
AMSC N/A
FSC 5945
For Parts Inquires call Parts Hangar, Inc (727) 493-0744
© Copyright 2015 Integrated Publishing, Inc.
A Service Disabled Veteran Owned Small Business