
INCH-POUND
MIL-PRF-39016/54D
19 September 2006
SUPERSEDING
MIL-PRF-39016/54C
20 July 1988
PERFORMANCE SPECIFICATION SHEET
RELAYS, ELECTROMAGNETIC, ESTABLISHED RELIABILITY, HERMETICALLY SEALED,
4PDT, LOW LEVEL TO 2 AMPERES (.150-INCH TERMINAL SPACING)
WITH INTERNAL DIODE FOR COIL TRANSIENT SUPPRESSION
AND REVERSE POLARITY PROTECTION
This specification is approved for use by all Departments and
Agencies of the Department of Defense.
The requirements for acquiring the product described herein
shall consist of this specification sheet and MIL-PRF-39016.
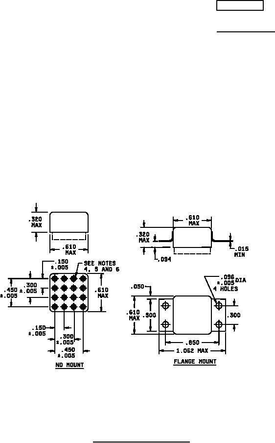
FIGURE 1. Configuration and circuit diagram.
AMSC N/A
FSC 5945