
INCH-POUND
MIL-PRF-39016/45E
23 April 2013
SUPERSEDING
MIL-PRF-39016/45D
26 February 2007
PERFORMANCE SPECIFICATION SHEET
RELAYS, ELECTROMAGNETIC, ESTABLISHED RELIABILITY, DPDT,
LOW LEVEL TO 2 AMPERES (LATCHING)
Inactive for new design after 5 November 2001.
This specification sheet is approved for use by all Departments
and Agencies of the Department of Defense.
The requirements for acquiring the product described herein shall consist of this
specification sheet and MIL-PRF-39016.
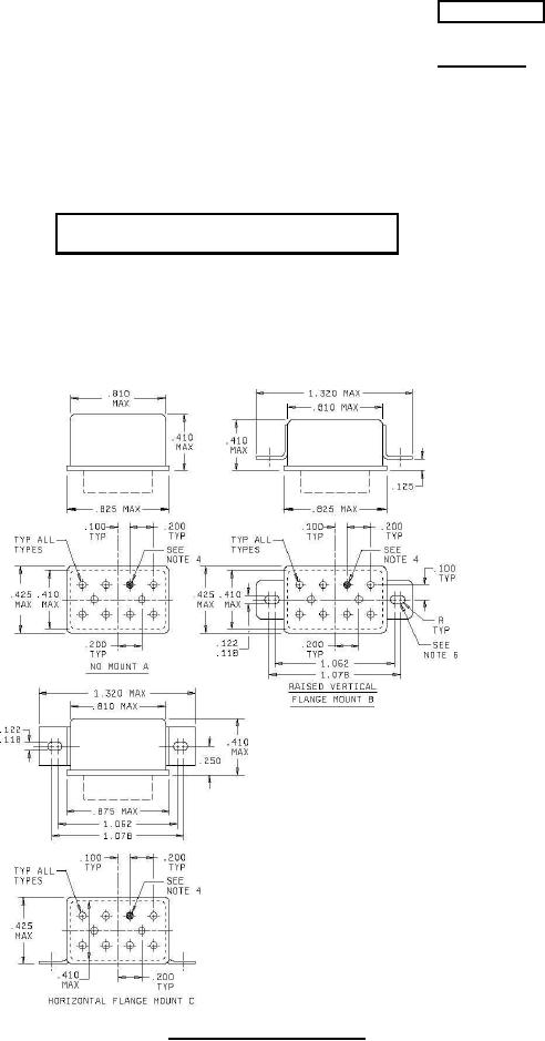
FIGURE 1. Dimensions and configuration.
AMSC N/A
FSC 5945
For Parts Inquires call Parts Hangar, Inc (727) 493-0744
© Copyright 2015 Integrated Publishing, Inc.
A Service Disabled Veteran Owned Small Business