
INCH-POUND
MIL-PRF-39016/11G
8 November 2004
SUPERSEDING
MIL-PRF-39016/11F
20 July 1988
PERFORMANCE SPECIFICATION SHEET
RELAYS, ELECTROMAGNETIC, ESTABLISHED RELIABILITY, DPDT,
LOW LEVEL TO 1.0 AMPERE
(SENSITIVE, 60 MILLIWATTS, COIL OPERATE POWER AT 25°C)
This specification sheet is approved for use by all Departments
and Agencies of the Department of Defense.
The complete requirements for acquiring the relays described herein shall
consist of this specification sheet and the latest issue of MIL-PRF-39016.
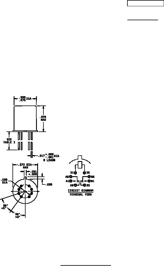
Inches
mm
.001
0.03
.002
0.05
.003
0.08
.017
0.43
.031
0.79
.035
0.89
.200
5.08
.275
6.99
.335
8.51
.370
9.40
.375
9.53
NOTES:
1. Dimensions are in inches.
2. Metric equivalents are given for general information only.
3. Unless otherwise specified, tolerance is ±.010 (0.25 mm).
4. Terminal numbers shown above for reference only. Numbers do not appear on relays.
5. Coil symbol optional in accordance with MIL-STD-1285.
6. Circuit diagram shown on part is the terminal view.
FIGURE 1. Dimensions and configuration.
AMSC N/A
FSC 5945
For Parts Inquires call Parts Hangar, Inc (727) 493-0744
© Copyright 2015 Integrated Publishing, Inc.
A Service Disabled Veteran Owned Small Business