
MIL-PRF-39016/10G
Inches
mm
.001
0.03
.002
0.05
.003
0.08
.012
0.30
016
0.41
.017
0.43
.031
0.79
.035
0.89
.100
2.54
.150
3.81
.200
5.08
.275
6.99
.300
7.62
.335
8.51
.370
9.40
..493
12.52
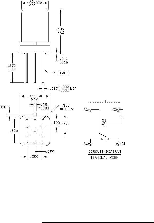
NOTES:
1. Dimensions are in inches.
2. Metric equivalents are given for general information only.
3. Unless otherwise specified, tolerance is ±.010 (0.25 mm).
4. Spreader mounting pads shall comply with the requirements of A-A-55485, A-55485/05-004.
5. Dimensions and tolerance shown for the bottom view of the spreader mounting pad are for the center-to-center
locations of the holes in the spreader mounting pad.
6. Shape optional within the envelope dimension.
7. Coil symbol optional in accordance with MIL-STD-1285.
8. Terminal numbers shown above for reference only. Numbers do not appear on relay.
9. Circuit diagram shown on part is the terminal view.
FIGURE 2. Dimensions and configuration relay with spreader mounting pad attached.
2
For Parts Inquires call Parts Hangar, Inc (727) 493-0744
© Copyright 2015 Integrated Publishing, Inc.
A Service Disabled Veteran Owned Small Business