
MIL-DTL-83729C
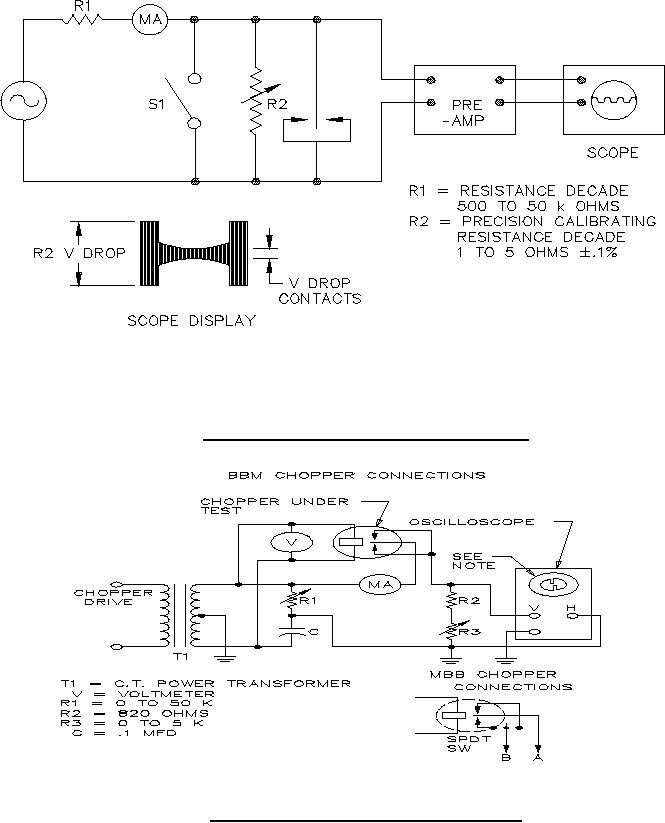
FIGURE 1. Circuit for measurement of dynamic contact resistance.
NOTE: Waveform display (see figure 3) shall be a minimum of 4.00 (101.6 mm) inches in diameter.
FIGURE 2. Circuit for measurement of waveform characteristics.
10
For Parts Inquires call Parts Hangar, Inc (727) 493-0744
© Copyright 2015 Integrated Publishing, Inc.
A Service Disabled Veteran Owned Small Business