
INCH-POUND
MIL-DTL-83729/4C
12 March 2013
SUPERSEDING
MIL-DTL-83729/4B
14 June 2002
DETAIL SPECIFICATION SHEET
CHOPPERS, ELECTROMECHANICAL, HERMETICALLY SEALED,
SINGLE POLE, DOUBLE THROW, BREAK BEFORE MAKE
This specification is approved for use by all Departments
and Agencies of the Department of Defense.
The requirements for acquiring the product described herein shall consist
of this specification sheet and MIL-DTL-83729.
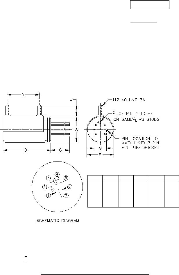
Letter
Inches
mm
Letter
Inches
mm
A
.745
18.92
D
1.010
25.65
A
.763
19.38
E
.300
7.62
B
1.391
35.33
E
.343
8.71
B
1.438
36.53
F
.830
21.08
C
2.00
50.80
G
.375
9.53
D
.990
25.15
NOTES:
1. Dimensions are in inches.
2. Metric equivalents are given for general information only.
3. Unless otherwise specified, tolerances are ± .005 (.13 mm) for three place decimals and ± .02 (.51 mm) for two
place decimals.
4. Letter C has a tolerance of +.06 (1.52 mm).
5. Letter G has a tolerance of + .010 (.25mm).
6. When the coil is de-energized the center reed may be in any of 3 positions.
FIGURE 1. Outline drawing, terminal arrangement and schematic diagram.
AMSC N/A
FSC 5945
For Parts Inquires call Parts Hangar, Inc (727) 493-0744
© Copyright 2015 Integrated Publishing, Inc.
A Service Disabled Veteran Owned Small Business