
INCH-POUND
MIL-DTL-83729/1E
01 March 2013
SUPERSEDING
MIL-DTL-83729/1D
14 June 2002
DETAIL SPECIFICATION SHEET
CHOPPERS, ELECTROMECHANICAL,
SINGLE POLE, DOUBLE THROW,
BREAK BEFORE MAKE
This specification is approved for use by all Departments
and Agencies of the Department of Defense.
The requirements for acquiring the product described herein shall consist
of this specification sheet and MIL-DTL-83729.
.
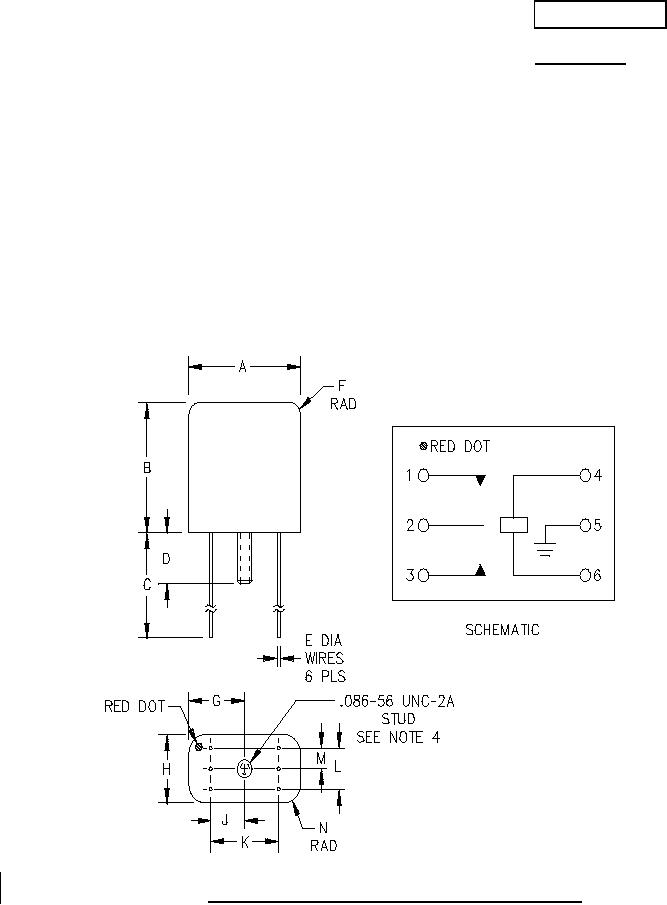
FIGURE 1. Outline drawing, terminal arrangement and schematic diagram.
AMSC N/A
FSC 5945