
INCH-POUND
MIL-DTL-19648/1G
1 November 2011
SUPERSEDING
MIL-DTL-19648/1F
15 February 2002
DETAIL SPECIFICATION SHEET
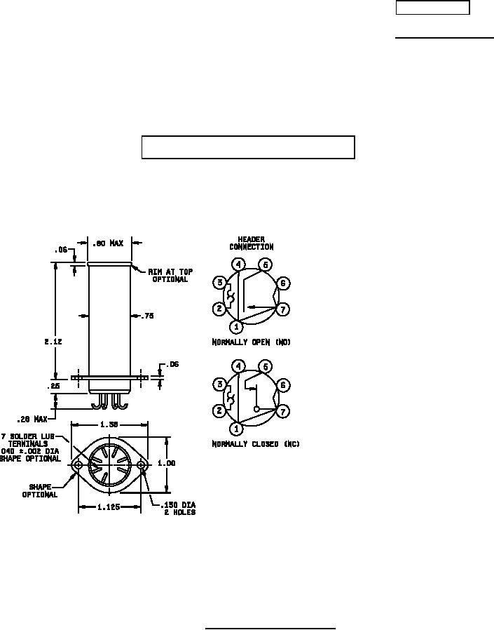
RELAYS, TIME DELAY, THERMAL, HERMETICALLY SEALED, ADJUSTABLE,
3 to 180 SECONDS, FLANGE MOUNT, SPST CONTACTS, 2 AMPERES
Inactive for new design after 15 February 2002.
No superseding specification sheet.
This specification is approved for use by all Departments and Agencies of the Department of Defense.
The complete requirements for acquiring the relays described herein shall consist of this specification and MIL-DTL-19648.
Inches
mm
.002
0.05
.040
1.02
.06
1.5
.130
3.30
.25
6.4
.28
7.1
.75
19.1
.80
20.3
1.00
25.4
1.125
28.58
1.38
35.1
2.12
53.8
NOTES:
1. Dimensions are in inches.
2. Metric equivalents are given for general information only.
3. Unless otherwise specified, tolerances shall be ± .02 (0.5 mm) for two place decimals and ± .005 (0.13) mm) for
three place decimals.
4. Pins 1, 4, and 6 are electrically connected to pin 7 by internal construction. Do not use as tie points.
FIGURE 1. Dimensions and configurations.
AMSC N/A
FSC 5945
For Parts Inquires call Parts Hangar, Inc (727) 493-0744
© Copyright 2015 Integrated Publishing, Inc.
A Service Disabled Veteran Owned Small Business