
INCH-POUND
AN3335
REVISION 5
7 June 2011
SUPERSEDING
REVISION 4
15 January 2002
DETAIL SPECIFICATION SHEET
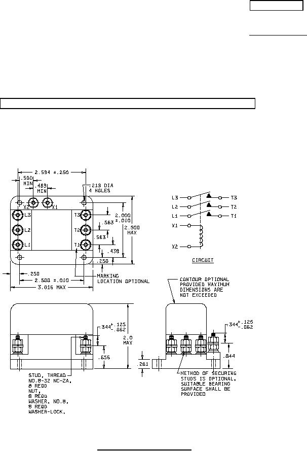
RELAY, 5 AMP, 3PST, UNSEALED, CLASS O
Inactive for new design after 17 December 1957. No superseding document.
This specification is approved for use by all Departments and Agencies of the Department of Defense.
The requirements for acquiring the relay described herein shall consist of this specification and MIL-PRF-6106.
NASM35649-286N
NASM35338-99
FIGURE 1. Configurations and dimensions.
AMSC N/A
FSC 5945
For Parts Inquires call Parts Hangar, Inc (727) 493-0744
© Copyright 2015 Integrated Publishing, Inc.
A Service Disabled Veteran Owned Small Business