
INCH-POUND
AN3324
REVISION 4
10 August 2010
SUPERSEDING
REVISION 3
15 January 2002
DETAIL SPECIFICATION SHEET
RELAY, 25 AMP, 1PDT, UNSEALED, CLASS O
Inactive for new design after 22 June 1955.
No superseding document.
This specification is approved for use by all Departments
and Agencies of the Department of Defense.
The requirements for acquiring the relay described herein shall
consist of this specification and the latest issue of MIL-PRF-6106.
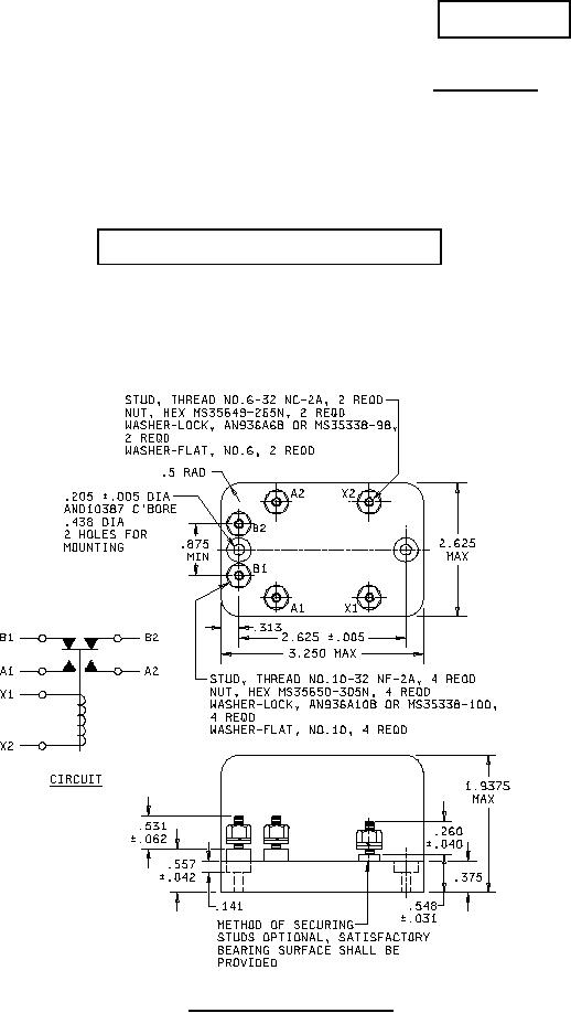
FIGURE 1. Configurations and dimensions.
AMSC N/A
FSC 5945
For Parts Inquires call Parts Hangar, Inc (727) 493-0744
© Copyright 2015 Integrated Publishing, Inc.
A Service Disabled Veteran Owned Small Business