
INCH-POUND
AN3306
REVISION 7
31 January 2013
SUPERSEDING
REVISION 6
1 February 2006
DETAIL SPECIFICATION SHEET
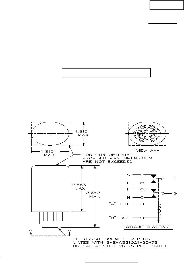
RELAY, 10 AMP, 2 PDT, SEALED,
CONNECTOR MOUNTING, CLASS O
Inactive for new design after 17 November 1954.
No superseding document.
This specification is approved for use by all Departments
and Agencies of the Department of Defense.
The requirements for acquiring the relay described herein shall
consist of this specification and the latest issue of MIL-PRF-6106.
FIGURE 1. Configurations and dimensions.
AMSC N/A
FSC 5945
For Parts Inquires call Parts Hangar, Inc (727) 493-0744
© Copyright 2015 Integrated Publishing, Inc.
A Service Disabled Veteran Owned Small Business