emilspec
An Integrated Publishing, Inc. Site
eMilSpec
An Integrated Publishing Website
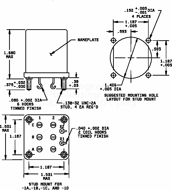
Relays, Electromagnetic, 25 Amperes, 3 Pst-No, Type I, Hermetically Sealed, Hook And Screw Terminals, Stud And Bracket Mounted
For Parts Inquires call
Parts Hangar, Inc
(727) 493-0744
© Copyright 2015 Integrated Publishing, Inc.
A Service Disabled Veteran Owned Small Business