emilspec
An Integrated Publishing, Inc. Site
eMilSpec
An Integrated Publishing Website
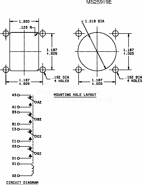
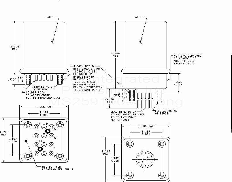
Relays, Electromagnetic, Type I, 10 Amperes, 4 Pdt
For Parts Inquires call
Parts Hangar, Inc
(727) 493-0744
© Copyright 2015 Integrated Publishing, Inc.
A Service Disabled Veteran Owned Small Business