emilspec
An Integrated Publishing, Inc. Site
eMilSpec
An Integrated Publishing Website
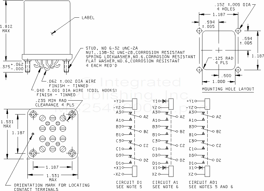
Relays, Electromagnetic, 10 Amperes, 4 Pdt, Type I, Magnetic Latch, Solder Terminals, Stud Mounted, Hermetically Sealed
For Parts Inquires call
Parts Hangar, Inc
(727) 493-0744
© Copyright 2015 Integrated Publishing, Inc.
A Service Disabled Veteran Owned Small Business