emilspec
An Integrated Publishing, Inc. Site
eMilSpec
An Integrated Publishing Website
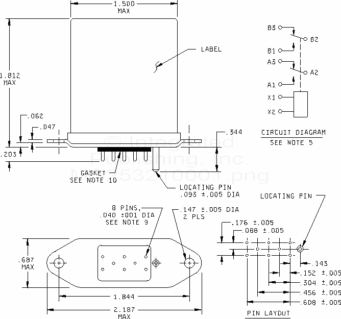
MS25321 Relay, Electromagnetic 100 Amperes, 2 Pdt, N.O. Type Ii, Non-Hermetically Sealed, Mechanically Interlocked
For Parts Inquires call
Parts Hangar, Inc
(727) 493-0744
© Copyright 2015 Integrated Publishing, Inc.
A Service Disabled Veteran Owned Small Business